Bơm màng Verderair VA25 Metallic là mẫu bơm màng khí nén 1" Metallic AODD Pump, được nhập khẩu chính hãng Verder (Hà Lan) đẩy đủ giấy tờ CO/CQ
Verderair VA25 Metallic có cấu hình vật liệu
- Thân bơm (Liquid Part): Aluminium, Stainless Steel, Hasteloy
- Đế bi (Valve seat): Acetal, Aluminium, Buna N, Geolast, Polypropylene, Kynar(PVDF), Hytrel, Santoprene, Stainless Steel, Viton
- Bi (Ball): Acetal,Buna N, Geolast, Hytrel, Santoprene, Stainless Steel, Viton, PTFE, Neoprene, Weighted Neoprene
- Màng bơm (Diaphragm): PTFE (2 piece), PTFE (overmolded), Hytrel, Buna-N, Santoprene, Viton, Geolast, Neoprene (overmolded)
Ngoài ra bơm màng Verderair còn có mẫu bơm cùng loại VA25 Non-Metallic
Một số mã bơm màng Verderair VA25 Metallic thông dụng
- VA25AA AL GE GE TB 00 : Thân nhôm, màng bơm Geolast
- VA25AA BN BN BN TB 00 : Thân nhôm, màng bơm Buna
- VAS5SP PP TF TF TB 00 : Thân Inox 316, màng bơm Teflon
Với cấu hình vật liệu đa dạng nên ứng dụng của bơm màng Verderair VA25 Metallic rất phổ biến như
- Bơm dung môi trong sản xuất công nghiệp như xylene, toluene, Benzen,..
- Bơm bùn thải, bùn loãng trong hệ thống xử lý nước thải
- Bơm bùn, men sứ trong ngành gốm sứ
- Bơm keo, mực in trong ngành bao bì in ấn
- Bơm thực phẩm
- Bơm hóa chất
- ...
Thông số kỹ thuật của bơm màng Verderair VA25 Metallic

- Áp suất khí nén tối đa: 8.6 bar
- Nhiệt độ hoạt động: 0°C to 135°C
- Lưu lượng bơm tối đa: 189 lpm
- Lực hút: 4.9 m dry, 8.8 m wet
- Hạt rắn qua bơm tối đa: 3.2 mm
- Khối lượng bơm: 10.5 kg
Tham khảo thêm tại đây
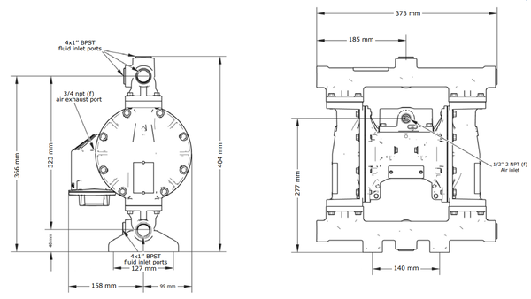
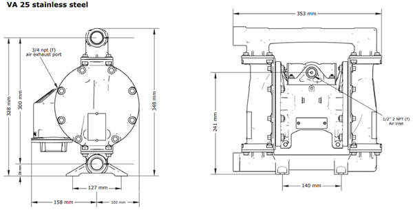
Kích thước của bơm Verderair VA25 Metallic

Kích thước của bơm màng Verderair VA25 Thân nhôm

Kích thước của bơm màng Verderair VA25 Thân Stainless Steel (Inox 316)
Quý khách hàng cần mẫu bơm cùng cấu hình nhưng kích thước lớn hơn có thể tham khảo Verderair VA40 Metallic
Nơi bán bơm màng Verderair VA25 Metallic chính hãng?
Công ty TNHH Kỹ thuật MP là Đại lý phân phối bơm màng Verderair tại Việt Nam, chúng tôi cam kết
- Cam kết sản phẩm chính hãng với đầy đủ giấy tờ nhập khẩu CO/CQ
- Được bảo hành sản phẩm lên đến 12 tháng
- Giá thành cạnh tranh nhất thị trường
- Đẩy đủ phụ tùng thay thế khi hỏng hóc
- Đươc miễn phí vận chuyển và lắp đặt tại TPHCM và các tỉnh lân cận
- Đội ngũ kỹ sư hỗ trợ khách hàng trong suốt quá trình sử dụng

 
						 
					 
							
						 báo giá
 báo giá
						 
										 
											 
								 
								 
								 
								 
								