Máy bơm màng Wilden T15/AAAAB/NES/NE/NE/0014 là mẫu bơm màng khí nén 3'' Metal (Thân nhôm) AODD Pump của hãng PSG Dover Company (USA), nhập khẩu và phân phối chính hãng đầy đủ CO/CQ
Wilden T4/AAMAB/NES/NE/NE/0014 với cầu hình vật liệu
- Thân bơm (wetted path) bằng Nhôm (Aluminium)
- Cụm van (Air valve) bằng Đồng
- Màng bơm (Diaphragms) bằng Neoprene
- Bi (Balls) bằng Neoprene
- Đế bi (Seats) bằng Neoprene
Với cấu hình vật liệu này bơm thường được dùng để bơm bùn thải, bơm màng máy ép bùn, bơm keo,...
Xem thêm mẫu bơm cùng loại
Thông số kỹ thuật của máy bơm màng Wilden T15 thân nhôm
![]()
- Áp suất khí nén tối đa: 8.6 bar
- Nhiệt độ hoạt động: -18°C to 93°C
- Lưu lượng bơm tối đa: 878 lpm
- Lưu lượng bơm mỗi chu kỳ: 5.3 lít
- Lực hút: 5.5 m dry, 9.45 m wet
- Hạt rắn qua bơm tối đa: 10 mm
- Khối lượng bơm: 53 kg
Tham khảo thêm tại đây
Kích thước của máy bơm màng khí nén Wilden T15
![]()
- Kích thước bơm: D 505 x R 427 x C 762 mm
- Kích thước cổng cấp khí: 3/4" FNPT
- Kích thước cổng hút: 3'' NPT/BSPT
- Kích thước cổng xả: 3'' NPT/BSPT
Khách hàng cần mẫu bơm có cấu hình tương tự với kích thước và lưu lượng bơm lớn hơn có thể tham khảo mẫu
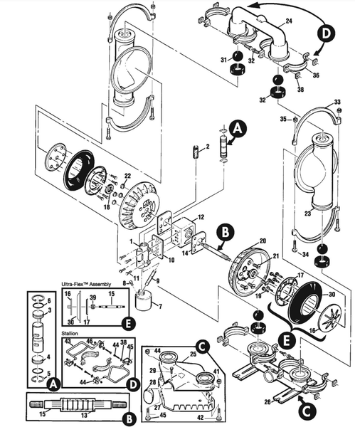
Phụ kiện máy bơm màng Wilden T15/AAAAB/NES/NE/NE/0014
![]()
| Part No | Item No | Tên phụ kiện |
| 15-2000-07 | 1 | Van chia khí (Air Valve) |
| 15-3210-55-225 | 13 | Vòng đệm Glydring |
| 15-3520-52 | 14 | Miếng đệm gasket |
| 15-3800-09-07 | 15 | Trục bơm (Shaft) |
| 15-4550-01 | 16 | Ốp màng ngoài |
| 15-3700-01 | 17 | Ốp màng trong |
| 15-3650-01 | 20 | Buồng màng (Air chamber) |
| 15-5000-01 | 23 | Buồng màng ngoài (Liquid chamber) |
| 15-5020-01 | 24 | Cổng xả (Discharge manifold) |
| 15-1010-51 | 30 | Màng bơm Neoprene |
| 15-1120-51 | 32 | Đế bi Neo |
| 15-1080-51 | 31 | Bi bơm Neo |
Ngoài cung cấp phụ kiện chúng tôi còn có dịch vụ sửa chữa máy bơm màng Wilden T15/AAAAB/NES/NE/NE/0014 siêu tốc, vui lòng liên hệ để được tư vấn thêm
Nơi bán máy bơm màng khí nén Wilden T15/AAAAB/NES/NE/NE/0014 chính hãng?
Công ty TNHH Kỹ thuật MP là Đại lý phân phối bơm màng khí nén Wilden tại Việt Nam, chúng tôi cam kết
- Cam kết sản phẩm chính hãng với đầy đủ giấy tờ nhập khẩu CO/CQ
- Được bảo hành sản phẩm lên đến 12 tháng
- Giá thành cạnh tranh nhất thị trường
- Đẩy đủ phụ tùng thay thế khi hỏng hóc
- Đươc miễn phí vận chuyển và lắp đặt tại TPHCM và các tỉnh lân cận
- Đội ngũ kỹ sư hỗ trợ khách hàng trong suốt quá trình sử dụng
