Máy bơm màng Sandpiper S15B3P1PPAS000 là mẫu máy bơm màng khí nén của hãng Warren Rupp USA, nhập khẩu và phân phối chính hãng đầy đủ CO/CQ
Warren Rupp USA là hãng chuyên sản xuất các mẫu bơm màng khí nén đa dạng mẫu mã và kích cỡ, cung cấp cho rất nhiều ngành như sản xuất công nghiệp, dầu khí, khai thác mỏ, chế biến thực phẩm...
Sandpiper S15B3P1PPAS000 là mẫu bơm Sandpiper 1 1/2'' Non-metallic với cấu hình vật liệu
- Thân vỏ bơm: Nhựa PP (Polypropylene)
- Màng bơm (Diaphragm): Santoprene
- Bi (Ball): Nhựa Santo
- Đế bi (Seat): Nhựa PP (Polypropylene)
Với cấu hình vật liệu này bơm thường được dùng bơm hóa chất, bơm keo, bơm mực in, bơm bùn loãng..
Thông số kỹ thuật của máy bơm màng khí nén S15B3P1PPAS000

- Áp suất khí nén tối đa: 7 bar
- Lưu lượng bơm tối đa: 378 lpm
- Lưu lượng bơm một chu kỳ: 1.63 lít
- Kích thước hạt rắn qua bơm tối đa: 12 mm
- Khối lượng bơm: 37kg
- Nhiệt độ hoạt động: 0 to 82°C
Quý khách cần mẫu bơm tương tự có lưu lượng bơm lớn hơn có thể tham khảo Sandpiper S15B3P2PPAS000
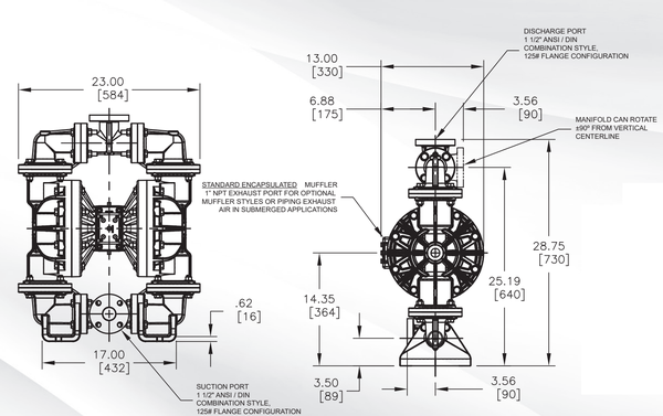
Kích thước máy bơm màng Sandpiper S15B3P1PPAS000
![]()
- Kích thước tổng thể: D 584 x R 330 x C 730 mm
- Kích thước cổng cấp khí: 3/4" NPT
- Kích thước cổng hút xả: 1 1/2" ANSI Flange (Mặt bích)
Tham khảo thêm tại đây
Phụ kiện cho máy bơm màng khí nén Sandpiper 1 1/2'' Thân vỏ nhựa

Chúng tôi có cung cấp đầy đủ các loại phụ kiện máy bơm màng Sandpiper S15B3P1PPAS000, quý khách vui lòng liên hệ để được tư vấn và báo giá sản phẩm
Ngoài cung cấp phụ kiện chúng tôi còn có dịch vụ sữa chữa máy bơm màng khí nén Sandpiper siêu tốc, vui lòng liên hệ để được tư vấn thêm
Nơi bán và giá máy bơm màng khí nén Sandpiper S15B3P1PPAS000 chính hãng?
Công ty TNHH Kỹ thuật MP là Đại lý phân phối máy bơm màng khí nén Sandpiper tại Việt Nam, chúng tôi cam kết
- Cam kết sản phẩm chính hãng với đầy đủ giấy tờ nhập khẩu CO/CQ
- Được bảo hành sản phẩm lên đến 12 tháng
- Giá thành cạnh tranh nhất thị trường
- Đẩy đủ phụ tùng thay thế khi hỏng hóc
- Đươc miễn phí vận chuyển và lắp đặt tại TPHCM và các tỉnh lân cận
- Đội ngũ kỹ sư hỗ trợ khách hàng trong suốt quá trình sử dụng
