Máy bơm màng ARO PD15A-BAP-AAA là dòng máy bơm màng khí nén ARO (1 1/2'' EXP Metallic Air Operated Diaphragm Pump) đươc sản xuất bởi hãng Ingersoll Rand (USA) được nhập khẩu chính hãng đầy đủ CO/CQ
1 1/2'' EXP Metallic với đặc điểm nổi trội như
- Van khí được thiết kế để hiệu suất hoạt động tốt nhất giúp tổn hao khí nén nhỏ nhất
- Thiết kế chống rò rỉ chất bơm tối đa
- Hoạt động êm ái
- Tháo lắp dễ dàng để bảo dưỡng hoặc sữa chữa
PD15A-BAP-AAA với
- Thân bơm: Nhôm (ALuminium)
- Đế bi: Santoprene
- Bi nhựa Santoprene
- Màng bơm nhựa Santo
Với cấu hình vật liệu này bơm có thể dùng làm máy bơm keo, bơm bùn loãng, một số loại hóa chất...
Thông số kỹ thuật của máy bơm màng ARO PD15A-BAP-AAA
![]()
- Áp suất khí nén tối đa: 8.3 bar
- Lưu lượng bơm 1 chu kỳ: 2.34 Lít
- Lưu lượng bơm tối đa: 465.6 lpm
- Kích thước hạt rắn qua bơm tối đa: 6.4 mm
- Nhiệt độ hoạt động: -40 tới 107 °C
- Khối lượng bơm: 17.08 kg
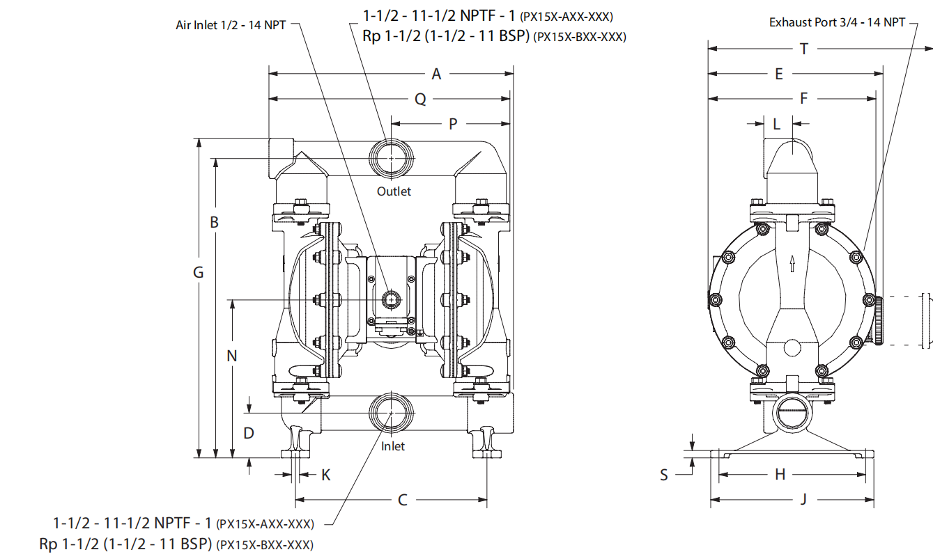
Kích thước máy bơm ARO PD15A-BAP-AAA

- Kích thước tổng thể bơm: D 377.8 x R 281 x C 498 mm
- Kích thước cổng cấp khí: 1/2'' NPT
- Kích thước cổng hút xả: 1 1/2" BSP
Tham khảo thêm tại đây
Phụ kiện máy bơm khí nén ARO 1 1/2'' EXP PD15A Thân nhôm

Chúng tôi có cung cấp đầy đủ các phụ kiện bơm màng khí nén ARO PD15A-BAP-AAA vui lòng liên hệ để được tư vấn và báo giá tốt nhất
Nơi bán và giá máy bơm màng ARO PD15A-BAP-AAA chính hãng?
Công ty TNHH Kỹ thuật MP là đại lý bơm màng khí nén ARO tại Việt Nam
- Sản phẩm chính hãng với đầy đủ giấy tờ CO,CQ
- Giá thành rẻ nhất thị trường
- Hàng luôn được stock sẵn tại kho với số lượng lớn
- Được bảo hành bơm theo chính sách của hãng, đầy đủ phụ kiện thay thế khi hỏng hóc
- Đội ngũ kỹ thuật giàu kinh nghiệm sẽ giúp bạn chọn được mẫu bơm hợp lý nhất
- Hỗ trợ vận chuyển, lắp đặt và hướng dẫn vận hành
