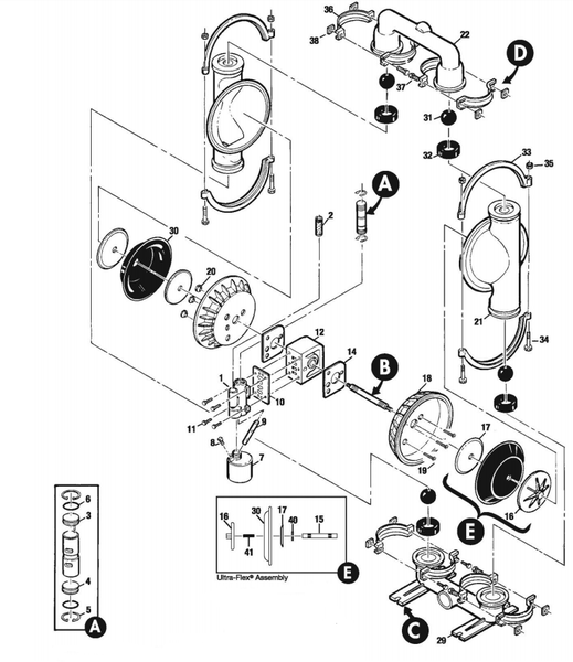
Màng bơm Wilden 08-1010-52 (Buna-N Diaphragm) là phụ kiện thay thế cho chi tiết số 30 bơm màng khí nén Wilden 2", hàng được nhập khẩu chính hãng
Màng bơm Wilden Neoprene là màng bơm có giá thành rẻ, độ bền cao thường được dùng trong ngành dầu khí bơm dầu thô, dầu DO,...
![]()
Thông tin về sản phẩm Màng bơm Wilden 08-1010-52
Tên sản phẩm: Màng bơm (Diaphragm)
Mã sản phẩm: 08-1010-52
Vật liệu: Buna-N, Nitrile
Hãng sản xuất: Wilden
Xuất xứ: USA
Thay thế cho các mã bơm Wilden kích thước 2'' như
- T8/AAAAB/NES/NE/NE/0014
- P8
- M8
- ...
Tình trạng sản phẩm: Mới 100%
Hàng có sẵn
Xem thêm các mã phụ kiện bơm màng Wilden khác
