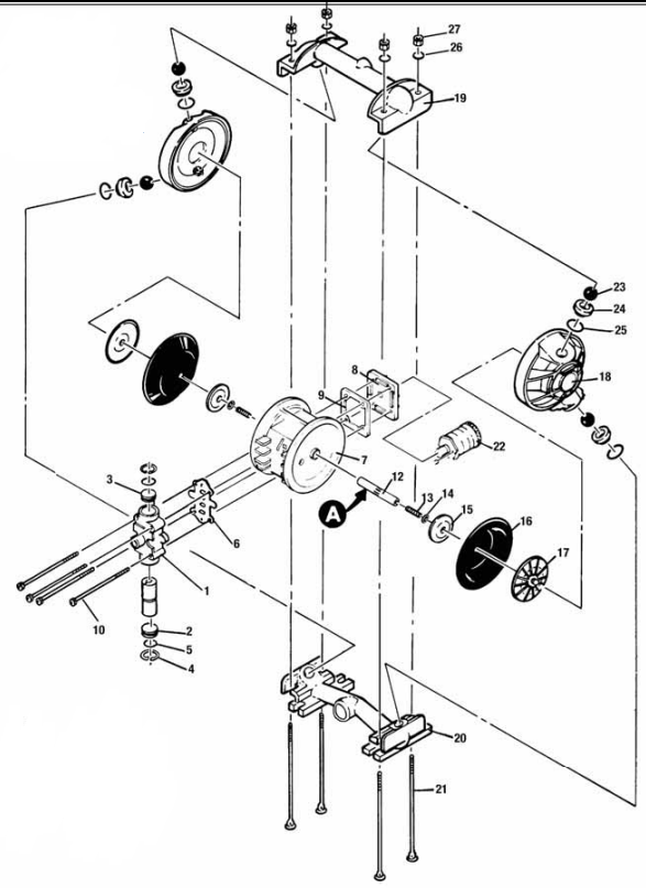
Màng bơm 02-1010-58 (Wil-Flex Diaphragm) là phụ kiện thay thế cho chi tiết số 16 bơm màng khí nén Wilden T2 (1"), hàng được nhập khẩu chính hãng
![]()
Thông tin về sản phẩm Màng bơm 02-1010-58 santo
Tên sản phẩm: Màng bơm (Diaphragm)
Mã sản phẩm: 02-1010-58
Vật liệu: Wil-Flex (Santoprene)
Hãng sản xuất: Wilden
Xuất xứ: USA
Thay thế cho các mã bơm
Tình trạng sản phẩm: Mới 100%
Hàng có sẵn
Xem thêm các mã phụ kiện bơm màng Wilden khác
