Bơm màng Sandpiper S1FB1ANWABS600 là mẫu bơm màng khí nén Sandpiper 1" S1F Metallic của hãng Warren Rupp USA, nhập khẩu và phân phối chính hãng đầy đủ CO/CQ
Sandpiper S1FB1ANWABS600 với cấu hình vật liệu
- Thân bơm: Nhôm (Aluminum)
- Màng bơm: Neoprene
- Bi (Ball): cao su Neo
- Đế bi: Polyethylen (UHMW)
Với cấu hình vật liệu này bơm thường được dùng để bơm bùn loãng, bơm keo...
Mẫu bơm cùng loại: Marathon M1FB1ANWABS000
Thông số kỹ thuật của Bơm màng Sandpiper S1FB1ANWABS600
![]()
- Áp suất khí nén tối đa: 8.6 bar
- Lưu lượng bơm tối đa: 170 lpm
- Lưu lượng bơm một chu kỳ: 0.41 lít
- Kích thước hạt rắn qua bơm tối đa: 6 mm
- Khối lượng bơm: bơm nhôm 13kg
- Nhiệt độ hoạt động: -23 to 93°C
Tham khảo thêm tại đây
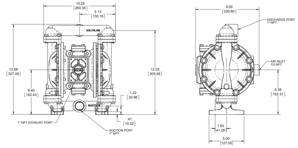
Kích thước Bơm màng Sandpiper S1FB1ANWABS600
![]()
- Kích thước tổng thể: D 260 x R 127 x C 327 mm
- Kích thước cổng cấp khí: 1/2" NPT
- Kích thước cổng hút xả: 1" BSP
Quý khách hàng cần mẫu bơm có cấu hình vật liệu tương tự nhưng kích thước và lưu lượng bơm cao hơn có thể tham khảo mẫu S15B1ANWABS600
Phụ kiện Bơm màng Sandpiper S1FB1ANWABS600 thay thế khí hỏng hóc
![]()
| Part No | Item No | Tên phụ kiện |
| 050-028-365 | 2 | Bi (Ball) |
| 070-012-170 | 3 | Ống lót (Bushing) |
| 095-110-000 | 4 | Van lái (Pilot valve) |
| 135-036-506 | 7 | Ống lót (Bushing) |
| 196-173-157 | 13 | Buồng màng (Chamber) |
| 286-008-365 | 14 | Màng bơm (Diaphragm) |
| 360-093-360 | 16 | Miếng đệm van khí (Gasket) |
| 360-114-360 | 17 | Miếng đệm van lái (Gasket) |
| 360-104-379 | 18 | Miếng đệm nắp van khí (Gasket) |
| 518-175-156E | 19 | Cổng hút (Manifold) |
| 518-176-156E | 20 | Cổng xả (Manifold) |
| 560-001-360 | 21 | Oring |
| 612-022-330 | 23 | Ốp màng trong (Inner Plate) |
| 612-108-157 | 24 | Ốp màng ngoài (outer Plate) |
| 722-098-600 | 29 | Đế bi (Seat) |
| 685-060-120 | 27 | Trục bơm |
| 530-033-000 | 32 | Giảm thanh (Muffler) |
Ngoài cung cấp phụ kiện chúng tôi còn có dịch vụ sữa chữa bơm màng Sandpiper S1FB1ANWABS600 cấp tốc, vui lòng liên hệ để được tư vấn
