Bơm màng ARO PD05P-ASS-STT là mẫu bơm màng khí nén ARO 1/2'' Metallic Compact Series (AODD Diaphragm Pump)
ARO PD05P-ASS-STT với cấu hình vật liệu
- Thân bơm (Fluid cap and Manifold): Stainless Steel (Inox)
- Đế bi (Seat): Stainless Steel (Inox)
- Bi (Ball): Nhựa Teflon
- Màng bơm (Diaphragm): PTFE/santoprene backup
Với cấu hình vật liệu này bơm màng ARO PD05P-ASS-STT thường được dùng làm máy bơm thực phẩm như bơm tương ớt, bơm dầu ăn, bơm chocolate nóng chảy, bơm bột, bia rượu, NGK... Ngoài ra bơm có thể bơm một số loại hóa chất, bơm sản xuất dược phẩm...
Mẫu bơm với cấu hình vật liệu tương tự với thân bơm bằng nhôm: ARO PD05P-AAS-STT
Thông số kỹ thuật bơm màng ARO PD05P-ASS-STT
![]()
- Áp suất khí nén tối đa: 6.9 bar
- Lưu lượng bơm tối đa: 49.2 lpm
- Lưu lượng bơm một chu kỳ: 0.15 lít
- Kích thước hạt rắn qua bơm tối đa:2.4 mm
- Nhiệt độ hoạt động: 4° to 107° C
- Khối lượng bơm: 6.62 kg
Tham khảo thêm tại đây
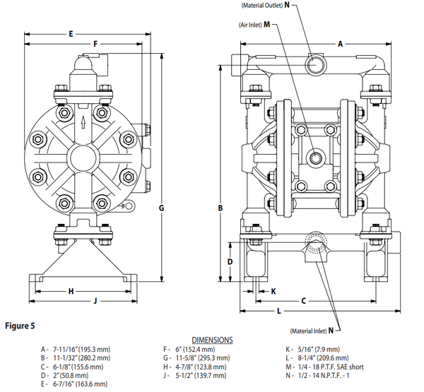
Kích thước bơm ARO PD05P-ASS-STT
![]()
- Kích thước tổng thể: D 210 x R 140 x C 295 mm
- Kích thước cổng cấp khí: 1/4'' (6.35mm) PTF
- Kích thước cổng hút xả: 1/2'' (12.7mm) NPTF
Phụ kiện bơm màng ARO PD05P-ASS-STT thay thế khi hỏng hóc
![]()
![]()
| Part No | Item No | Tên phụ kiện |
| 93409-1 | 21 | Đế bi inox (Seat) |
| 93100-4 | 22 | Bi Teflon (Ball) |
| 93111 | 7 | Màng bơm Teflon (Diaphragm) |
| 93465 | 8 | Màng bơm santoprene backup |
| 93084 | 1 | Trục bơm inox (Rod) |
| Y325-111 | 2 | Oring |
| 94645 | 5 | Ốp màng (Diaphragm Washer) |
| 94624 | 15 | Buồng màng nhôm (Fluid Cap) |
| 94626 | 60 | Cổng hút nhôm (Inlet manifold) |
| 94625 | 61 | Cổng xả nhôm (Outlet manifold) |
| 93091 | 101 | Motor Body |
| Y325-117 | 102 | Oring Nitrile |
| 93087 | 103 | Ống lót van đảo chiều (Sleeve) Đồng |
| 37285 | 104 | Phe chặn thép (Snap ring) |
| 93085 | 111 | Trục van (Spool) Acetal |
| 93088 | 118 | Trục van đảo chiều thép (Piston) |
| 93075 | 119 | Oring Polyurethane |
| 115959 | 120 | Vỏ van đảo chiều |
| 77802 | 122 | Phe chặn |
| 66972 | 129 | Giảm thanh Nhựa (Muffler) |
| 93092 | 129 | Đế giảm thanh Nhựa PE |
| 93107 | 130 | Miếng chèn bộ giảm thanh |
| 93339-1 | 132 | Miếng đệm van khí (Gasket) |
| 93090 | 135 | Vỏ van khí Polypropylene (Valve Block) |
| 93086 | 136 | Nút chặn van chính (Plug) |
| Y325-125 | 137 | Oring Nitrile |
| 94395 | 138 | Ucup Polyurethane |
| 96383 | 139 | Ucup Polyurethane |
| 93276 | 140 | Miếng trượt (Valve insert) |
| 93275 | 141 | Valve Plate |
| 93089 | 143 | Miếng chặn |
| 93110 | 201 | Giảm thanh thép (Muffler) |
Ngoài cung cấp phụ tùng công ty chúng tôi còn có dịch vụ sữa chữa bơm màng ARO PD05P-ASS-STT cho hầu hết các mã bơm của hãng, vui lòng liên hệ để được biết thêm thông tin chi tiết
