Bơm màng ARO 666270-G22-C là dòng bơm màng khí nén ARO 2" Metallic Pro Series (AODD Diaphragm Pump) của hãng Ingersoll Rand USA
ARO 666270-G22-C với
- Thân bơm bằng nhôm (Aluminum)
- Đế bi bằng cao su nitrile
- Bi bằng cao su nitrile
- Màng bơm cao su nitrile
Với cấu hình vật liệu này bơm thường dùng bơm xăng dầu, dung môi, bơm bùn ...
Mẫu bơm tương tự: Bơm ARO 666270-144-C
Thông số kỹ thuật của bơm màng ARO 666270-G22-C
![]()
- Áp suất khí nén tối đa: 8.3 bar
- Lưu lượng bơm tối đa: 651 lpm
- Lưu lượng bơm một chu kỳ: 5.3 lít
- Chiều sâu hút tối đa: 8.3m
- Kích thước hạt rắn qua bơm tối đa: 6.4 mm
- Nhiệt độ hoạt động: -12° to 82° C
- Khối lượng bơm: 29.55 kg
Tham khảo thêm tại đây
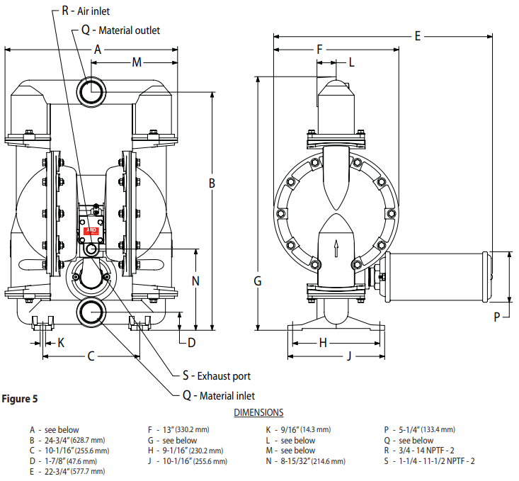
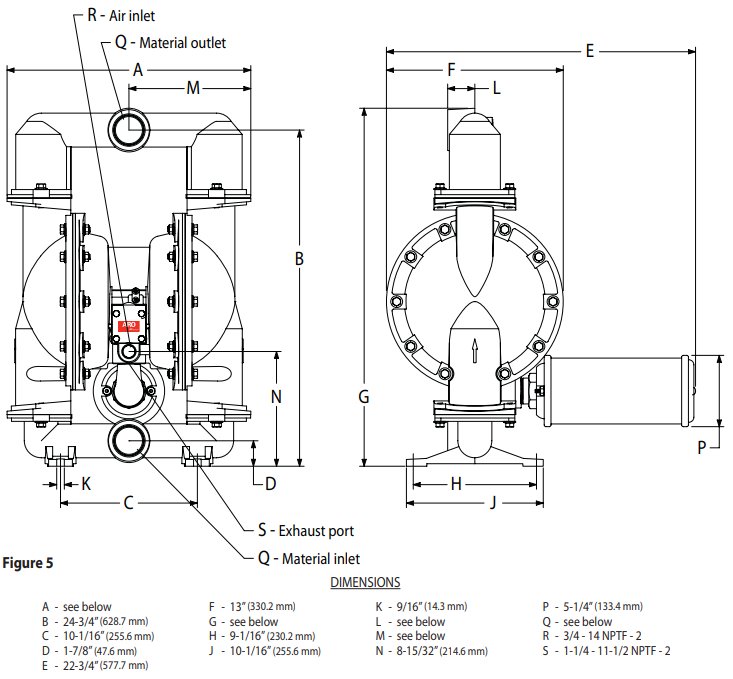
Kích thước bơm ARO 666270-G22-C

- Kích thước tổng thể: A 455.1x G 669x J 255.6mm
- Kích thước cổng hút xả: 2" BSP
- Kích thước cổng cấp khí: 3/4'' NPTF
Phụ kiện bơm màng khí nén ARO 666270-G22-C thay thế khi hỏng hóc
![]()
![]()
| Part No | Item No | Tên phụ kiện |
| 96394 | 1 | Trục bơm (Rod) |
| Y330-117 | 2 | Oring |
| 96391-G | 7 | Màng bơm buna |
| 94328-G | 21 | Đế bi Nitrile |
| 93358-2 | 22 | Bi Buna |
| 94528 | 103 | Ống lót trục |
| Y145-26 | 104 | Phe cài |
| 96426 | 108 | Miếng đệm van khí |
| 96422 | 109 | Nút chặn van chính |
| 96421 | 111 | Trục van chính |
| 93250 | 115 | Vỏ van đảo chiều |
| 96420 | 116 | Vỏ van đảo chiều |
| 96425 | 117 | Miếng đệm gasket |
| 93309-2 | 118 | Trục van đảo chiều |
| 115959 | 120 | Vỏ van đảo chiều |
| 98723-2 | 121 | Sleeve bushing |
| 67389 | 201 | Giảm thanh thép |
Ngoài cung cấp phụ kiện chúng tôi còn có dịch vụ sữa chữa bơm màng khí nén ARO 666270-G22-C , vui lòng liên hệ để được tư vấn thêm
Mua bơm màng ARO 666270-G22-C chính hãng ở đâu?
Công ty TNHH Kỹ thuật MP là đại lý cung cấp bơm màng khí nén ARO tại Việt Nam
- Sản phẩm chính hãng với đầy đủ giấy tờ CO,CQ
- Giá thành rẻ nhất thị trường
- Hàng luôn được stock sẵn tại kho với số lượng lớn
- Được bảo hành bơm theo chính sách của hãng, đầy đủ phụ kiện thay thế khi hỏng hóc
- Đội ngũ kỹ thuật giàu kinh nghiệm sẽ giúp bạn chọn được mẫu bơm hợp lý nhất
- Hỗ trợ vận chuyển, lắp đặt và hướng dẫn vận hành
Quý khách hàng cần tư vấn thêm thông tin về sản phẩm vui lòng liên hệ qua hotline 0961114905 hoặc các kênh online để được gặp đội ngũ nhân viên giàu kinh nghiệm luôn sẵn sàng hỗ trợ và kết nối giúp đỡ.
