Bơm màng ARO 66605J-3EB là mẫu bơm màng khí nén ARO dòng bơm 1/2" Classic Style Non-Metallic Compact Series (Diaphragm Pump) sản xuất bởi hãng Ingersoll Rand USA
ARO 66605J-3EB với
- Thân bơm (Fluid caps and Manifold): nhựa Polypropylene (PP)
- Màng bơm (Diaphragms): Santoprene
- Bi (Balls): Santoprene
- Đế bi (Seats): Nhựa Polypropylene (PP)
Vơi cấu hình vật liệu này bơm thường được dùng bơm keo, bơm sơn, bơm mực in, bơm hóa chất..
Mẫu bơm tương tự: Bơm ARO 66605J-344
Thông số kỹ thuật bơm màng ARO 66605J-3EB
![]()
- Áp suất khí nén tối đa: 6.9 bar
- Lưu lượng bơm tối đa: 49.2 lpm
- Lưu lượng bơm một chu kỳ: 0.15 lít
- Chiều sâu hút tối đa: 4.6m
- Kích thước hạt rắn qua bơm tối đa:2.4 mm
- Nhiệt độ hoạt động: 0° to 79° C
- Khối lượng bơm: 3.3 kg
Tham khảo thêm tại đây
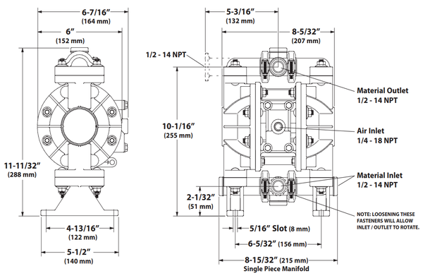
Kích thước bơm ARO 66605J-3EB
![]()
- Kích thước tổng thể: 215x140x255mm
- Kích thước cổng cấp khí: 1.4'' NPTF
- Kích thước cổng hút xả: 1/2'' NPT
Phụ kiện thay thế cho bơm ARO 66605J-3EB khi hỏng hóc
| Part No | Loại sản phẩm | Vật liệu |
| 93084 | Trục bơm (Rod) | Inox |
| 93465 | Màng bơm (Diaphragms) | Santoprene |
| 93265 | Oring (1-5/16" OD) | Nhựa PTFE |
| 93098-1 | Đế bi (Seats) | Nhựa PP |
| 93100-E | Bi (Balls) | Santoprene |
| 93801-1 | Ống xả (Top outlet manifold) | Nhựa PP |
| 93802-1 | Ống hút (inlet manifold) | Nhựa PP |
| 93099 | Clamp | Stainless Steel |
| 93097-1 | Lồng bi (Ball Cage) | Nhựa PP |
| 93091 | Center Body | Nhựa PP |
| 93087 | Ống lót van đảo chiều (Sleeve) | Đồng |
| 37285 | Phe chặn (Snap ring) | Thép |
| 93085 | Trục van chính (Spool) | Acetal |
| 93088 | Trục van đảo chiều | Thép |
| 93075 | Oring | Polyurethane |
| 115959 | Vỏ van đảo chiều (Spacer) | Kẽm |
| 77802 | Phe chặn (Snap ring) | Thép |
| 66972 | Giảm thanh (Muffler) | Nhựa PP |
| 93107 | Miếng chèn giảm thanh (Gasket) | |
| 93339-1 | Miếng đệm van khí (Gasket) | Nitrile |
| 93090 | Vỏ van khí | Nhựa PP |
| 93086 | Nút chặn van chính | Acetal |
| 94395 | U Cup | Polyurethane |
| 96383 | U Cup | Polyurethane |
| 93276 | Miếng trượt | Ceramic |
| 93275 | Miếng trượt | Ceramic |
| 116038 | Vỏ van đảo chiều | Kẽm |
| 93089 | Miếng chặn | Inox |
| 93110 | Giảm thanh | Thép |
| 93092 | Đế giảm thanh | Nhựa |
| 637141 | Bộ vòng đệm van chia khí (Air service kit) | |
| 66362 | Van chia khí |
Ngoài cung cấp phụ tùng công ty chúng tôi còn có dịch vụ sữa chữa Bơm màng ARO 66605J-3EB cho hầu hết các mã bơm của hãng, vui lòng liên hệ để được biết thêm thông tin chi tiết
Nơi bán bơm màng ARO 66605J-3EB chính hãng?
Công ty TNHH Kỹ thuật MP là Đại lý phân phối bơm màng ARO tại Việt Nam, chúng tôi cam kết
- Cam kết sản phẩm chính hãng với đầy đủ giấy tờ nhập khẩu CO/CQ
- Được bảo hành sản phẩm lên đến 12 tháng
- Giá thành cạnh tranh nhất thị trường
- Đẩy đủ phụ tùng thay thế khi hỏng hóc
- Đươc miễn phí vận chuyển và lắp đặt tại TPHCM và các tỉnh lân cận
- Đội ngũ kỹ sư hỗ trợ khách hàng trong suốt quá trình sử dụng
